SCPH-1002 nie działają porty padów oraz kart pamięci.

Zaczęty przez Vin324pl, Październik 25, 2024, 23:52

Poprzedni wątek - Następny wątek

Vin324pl

Reanimowalem dziś "niesprawdzoną " z vinted szaraczkę tzw audiofile. O ile laser udało się przywrócić do sprawności ( odczytuje już gry) to nie reaguje na sprawne pady.
Taśma oraz sam port są sprawne bo testowałem na innym psx. Posiłkując się wiedzą internetową sprawdziłem bezpieczniki odpowiedzialne za porty padów i okazało się że dwa z nich są do wymiany. Niestety po wymianie nadal sprawne pady nie są wykrywane. Zalutowalem więc zamiast bezpieczników zworki żeby połączyć ścieżki, nadal lipa . Kondensator 220uf przelutowalem i sprawdziłem i jest na bank sprawny.

Ponoć trzeba sprawdzić diody zenera ale nie mogę  ich nigdzie w okolicach gniazda z taśmą od portów padów znaleźć. Jakieś sugestie?

xzer0

Leć po linii do czego jest zwarcie. Bezpieczniki muszą być. Może taśma jest walnięta ?

Vin324pl

Taśma była z portami wpinana do innej konsoli i działała. Sprawdzałem przejścia od taśmy i przelotki prowadzą pod układy Sony.

xzer0


Vin324pl

#4
Gdzie zmierzyć?, na wyjściu na pady?

Trzyzet

#5
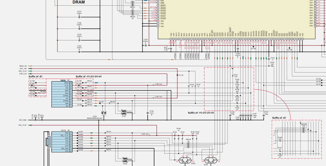
Kawałek schematu z SCPH-9xxx który ci pomoże:


Pady i memorki są wpięte prawie bezpośrednio do procka więc sprawdź czy masz linie 3.3V i 8V. Możliwe że dławiki L106 i L104 wyzionęły ducha. Na płytach PU-8 i PU-7 (SCPH-1xxx) jest tak samo z tym że dławiki mogą być oznaczone inaczej. Zanim zaczniesz mierzyć sprawdź najpierw same luty jak i konektor wewnątrz.

Jak konsola długo przeleżała w piwnicy, weź sprawdź pod lupą czy mikroskopem czy tam gdzie są testpointy od tego konektora (odsłonięte pola ze ścieżek) czy nie masz korozji czy braków w miedzi. Coś mogło podkorodować przez ostatnie 28 lat.

Vin324pl

#6
Szukałem na anglojęzycznych forach i znalazłem taką poradę :

" Jeśli problem nie dotyczy przedniego gniazda, jest w 100% pewien, że przepaliła się dioda bezpieczeństwa związana z portem DTR0A (PIN5 CN102).

Najlepszym sposobem sprawdzenia, czy to jest problem, jest zmierzenie napięcia na pinie 5 złącza cn102. Aby wszystko było w porządku, powinno wynosić 3 V.

Znajdź, wymień diodę i wszystko powinno być ok"

Śledząć ścieżkę z pinu nr 5 trafiamy na oznaczony kółkiem czerwonym kondensator tak ? to diody mogą być po 2 stronie płyty ?

9 pin to 3,3V i dławik po drodze a 4 pin to 8V i tak samo dławik pod nim wg schamatu. Jeżeli wyjdzie z pomiaró że dławik 104 lub 106 jest padnięty to jakiego szaukać zamiennika ?

Vin324pl

Na dlawikach i pinach 9 oraz 4 mam prawidłowe napięcia. Na pinie nr 5 też te 3v

Vin324pl

Znalazłem chyba tego winowajcę , zobaczcie na tą diodę na linii nr5 , teraz pytanie jaki zamiennik dobrać ? Z tego co czytałem to 3.9v 200mA chyba

Vin324pl

Zamontowałem diodę zenera która stosuję w rgh , 3,6V i wszystko działa już jak należy. Teraz jeszcze zamiast zworek wlutuję bezpieczniki i składam:-)

Trzyzet

Super że się udało! Jestem zaskoczony że padła dioda, jeżeli dobrze pamiętam to zabezpieczenie ESD więc fartownie że tylko ona padła.

Ogólnie temu modelowi zaraz stuknie 30 lat, jak masz miernik pojemności to sprawdź dla pewności czy elektrolity w zasilaczu jeszcze się nadają na parę lat czy już trzeba zrobić podmiankę. W swojej elektrolityczne wymieniałem 2 tygodnie temu bo pojemność wszystkich spadła o prawie połowę.

Vin324pl

Tak zrobię, zamontuje jeszcze malutki 30mm wentylator przy zasilaczy żeby wysłuchiwał powietrze z konsoli.

Wawrzino

Nie lepiej wymienić całkiem zasilacz na współczesną alternatywę? Z tego co wiem np. Bitfunx robi współczesne zasilacze do PSXów

JT

Cytat: Wawrzino w Październik 28, 2024, 15:25
Nie lepiej wymienić całkiem zasilacz na współczesną alternatywę? Z tego co wiem np. Bitfunx robi współczesne zasilacze do PSXów
Pytanie jak z jakością tych zasilaczy? Bo jeżeli tak jak z tymi do DC, to lepiej sobie dać spokój. Po wymianie w makaronie wali takie zakłócenia na ekranie, że lepiej samemu coś złożyć z USB-C. Druga sprawa że zewnętrzny zasilacz to takie upośledzanie konsoli i dodawanie niepotrzebnego klocka, a sam zasilacz zawsze coś tam prądu pobiera.
PSX, PS2, PS3, PSP, PSTV, PSC, Xbox, X360, XSS, MD, DC, PCE, FC, NESC, SNES, N64, GC, Wii, WiiU, NS, GBA, DS, 3DS

Vin324pl

Gdzieś mądrzy ludzie się spierali o zakłócenia tych nowych zasilaczy właśnie.